


時尚優質生活,”方便、舒適、美觀“是KOHLER 的主導設計思想。KOHLER 的陶瓷臉盆表面有獨特的涂層,質量精良不易留下斑點,刮痕或焦痕,令臉盆持久光潔;獨特的加深設計可以起到防止水花飛濺的作用,給您的使用帶來便利;創新的款式從傳統到現代,能配合不同的設計主題與要求,與其他產品完美搭配。

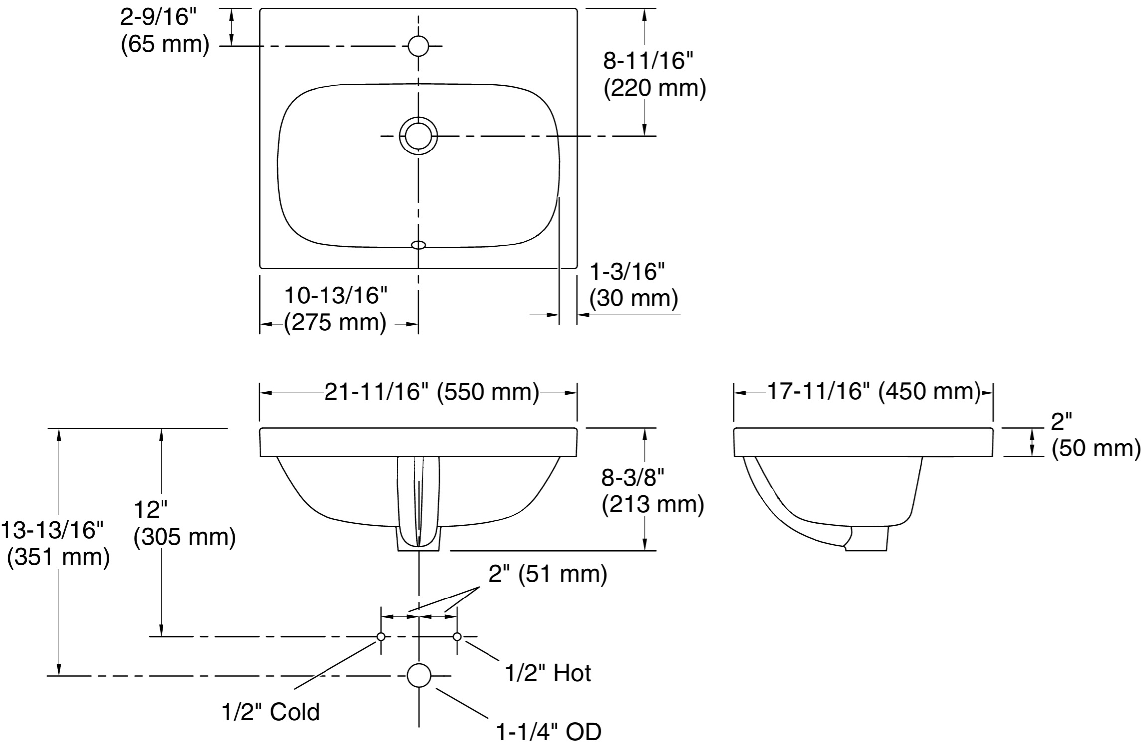
Melius™ 是 KOHLER 設計的一個衛浴面盆系列,強調現代簡約與優雅風格。
Melius™ 面盆的主要特色是乾淨的線條、寬敞的洗臉空間與優雅輪廓,兼具實用性與美學設計。

● 表面光亮細膩,持久如新使用壽命長
● 採用優質釉料,釉面色均衡,無色差
● 釉面厚度為0.6 ~ 1公厘,厚度適中
● 適合單孔龍頭安裝,易於清理,盆内線條柔和
● 簡約時尚又自然,且擁有獨特溢水孔蓋設計,彰顯细節品質